Стабилизатор напряжения с регулировкой — выходное напряжение
Простому обывателю при вводе запроса по стабилизаторам в поисковике сразу бросятся в глаза хвалебные или ругательные отзывы о производителях, куча брендов зарубежных стран. А также то, как в активных обсуждениях на многочисленных форумах опытные сподвижники продукции, представляясь в образе обычного пользователя, пытаются давать доверчивым читателям «правильные» советы к приобретению дорогого и ненужного им товара.
Такой массовой неразберихе соответствует жестокая конкуренция, не терпящая в бизнесе просиживания штанов с ожиданием завальных заказов, и активный поиск мечущихся в выборе теоретически неподкованных клиентов. У последних сразу же возникает мысль, что все регуляторы однотипные, и лишь отличаются по стоимости, габаритам и внешнему дизайну устройства. Однако картина в корне обманчива.
Основными различиями в стабилизаторах являются:
- функциональная начинка;
- рабочий диапазон,
- качество,
тип исполнения.
Об одной функциональной особенности и пойдёт речь в этой статье.
Что такое стабилизатор напряжения с регулировкой?
Полвека назад для регулировки напряжения использовались автотрансформаторы с ручным управлением. Нужно было неустанно отслеживать показатели на стрелочном циферблате либо светящейся линейке прибора, и, по мере необходимости, самостоятельно выставлять номинальное значение. Сегодня такую коррекцию стабилизаторы с плавной регулировкой осуществляют абсолютно автоматически. Мы к этому еще вернёмся, а пока вспомним о простейших аналогах и том, с чего всё начиналось.
ЛАТРы и последующая их эволюция
Помните, в советские времена широко использовались лабораторные стенды с автотрансформаторами – ЛАТРами с ручной регулировкой? Основным применением их было – лабораторные задания в рамках школьного курса по физике и вузовской телемеханики, где требовалось получить на выходе точную величину нестандартных параметров. Из категории экспериментальных ЛАТРы незаметно перекочевали в образ бытовой техники.
Одно время их можно было видеть при телевизорах, в настоящее же время их использование стало очень многообразным – от разных технологических процессов (в птицеводстве, ремонтных мастерских, стоматологии и т. п.) до устройств на 110 В. На ЛАТРе довольно просто устанавливается и не такой показатель сети.
Существуют ЛАТРы с рабочими пределами 0–250 В, и, более того, до 300 В. Чем больше порог, тем больше дополнительной мощности у прибора, позволяющей с низких значений подниматься до высоких нагрузок. Нужно понимать, что лабораторному автотрансформатору вручную задаётся такой режим, который нужен. Тем самым устанавливается дополнительный диапазон входного напряжения – так называемая дельта.
К примеру, до удалённой розетки из-за сетевого падения доходят только 200 В. При установке ЛАТРа, поворотом ручки управления можно получить на выходе 220 В. «Дельта» в этом случае будет равна 20 В. При дальнейшем падении напряжения до 180 В, ЛАТР добавит лишь выставленную «дельту» в 20 В, и на выходе можно будет получить не более, чем 180+20=200 В.
Для удобства и наблюдения аппараты позже стали выпускаться с жидкокристаллическим дисплеем, позволяющим регулировать технические показатели прибора уже с более высокой точностью. Теперь, если требуется плавная стабилизация напряжения в 220 В, рекомендуется применение таких устройств, как:
- стабилизатор с регулировкой выходного напряжения;
- стабилизатор с регулировкой выходного тока.
Приборы с такими названиями нередко встречаются в электрических схемах. Возникают вопросы: какая разница между ними и как они работают?
Экскурс в теорию
Напряжение сети, предназначенное для электропитания, может иметь значительные колебания, ухудшающие работу различной техники. В сетях переменного тока встречаются перепады двух видов: краткосрочные и многочасовые. И те и другие изменения негативно сказываются на работе техники. Есть устройства, которые вообще не способны работать без стабилизации параметров, к ним относятся лампы бегущей волны, электронные вольтметры, осциллографы и т. д.
Стабилизаторы с регулировкой напряжения – это аппараты с функцией поддерживания напряжения на нагрузке с нужной точностью при изменении сопротивления нагрузки и параметров сети в заданном диапазоне.
Стабилизаторы с регулировкой тока при тех же изменениях поддерживают в нагрузке с необходимой точностью величину заданного тока. Стабилизаторы одновременно с главными своими функциями осуществляют также сглаживание пульсаций.
Основные параметры
Качеством работы регуляторов в основном служат такие технические показатели, как:
- Стабилизирующий коэффициент, вытекающий из отношения изменений напряжения на входе и выходе
- Показатель нестабильности
- Внутреннее сопротивление
- Коэффициент выравнивания всплесков
Коэффициент полезного действия определяется для всех типов стабилизаторов по отношению входной и выходной активных мощностей равен
Функции приборов
Диапазон входного напряжения
- рабочий с обеспечением заявленной величины стабилизации, к примеру, 220±5%;
- предельный с сохранением работоспособности при напряжении на выходе, отличающемся от заявленного значения в большей или меньшей степени до 15-18%.
При выходе параметров за рамки предельного, устройство отключает питание, оставаясь в сети для контроля и возможности введения техники вновь в работу при возвращении сети электроснабжения в заданный диапазон.
Системный контроль параметров
В случае выхода корректора из строя или резкого подъёма входного напряжения такая система отключает приборы от нормализатора и предотвращает их выход из строя.
Регулировка выходного напряжения
Некоторые модели имеют возможность регулирования выходного напряжения в пределах 210–230 В, что помогает решить одновременно несколько задач:
- возможность установить на выходе стабилизатора западные стандарты напряжения 230 В для импортного электрооборудования. Без такой функции стабилизатор постоянно будет выходить за заданный для подобных приборов нижний диапазон напряжения, что может вызвать сбой в их работе;
- для ламп накаливания лучшим решением будет установка напряжения примерно 210 В, что существенно продлит срок их службы. На силу светового потока ламп это никак не повлияет – пределы останутся такими же, какие заявлены изготовителем.
Еще раз кратко об отличиях
Известны три вида стабилизаторов с регулировкой выходного напряжения: понижающие, повышающие и всеядные. Наиболее интересными являются последние. Независимо от входного, на выходе можно получить необходимое значение напряжения.
Всеядный импульсник как будто не замечает, какое напряжение на входе – ниже или выше требуемого. Аппарат автоматически переключает режимы с повышением или понижением напряжения и удерживает заданное значение на выходе. Помимо этого, такое устройство почти не нагревается.
Пока всё понятно. А как быть со стабилизатором с регулировкой выходного тока? Не станем открывать Америку, если скажем, что такой аппарат нормализует ток. Внешне это устройство напоминает импульсный стабилизатор. Если в паспорте прибора указано значение выходного тока, то именно такой ток и будет. Выходное же напряжение можно изменять в зависимости от нужного значения для потребителя.
Не углубляясь слишком в теорию, просто заметим, что напряжение не требуется регулировать, аппарат сам сделает все исходя из нужд потребителя. С отличиями вроде бы разобрались.
Часто при подключении нагрузки стоит задача, выполнить контроль именно значения тока. Стабилизатором с регулировкой тока, чтобы такая техника не сгорела, ограничивается ток. Следует понимать, что у регуляторов устанавливается пороговое значение тока. После определённого предела приборы начнут нагреваться, и придётся покупать более мощное устройство. Понятно, что при росте тепловыделения, КПД уменьшается.
А насколько это всё нужно-то?
Выбор между регуляторами определяется тем, какой требуется инструмент для облегчения работы или решения определенного круга задач.
Стабилизаторы с регулировкой тока, в отличие от устройств с регулировкой напряжения, нормализуют выходной ток, при этом корректируя напряжение на выходе так, чтобы ток для нагрузки в любой момент оставался одинаковый. Именно в этом заключается основное отличие аппаратов. Путать их между собой не следует, чтобы это не привело к выходу из строя техники.
Схемы стабилизаторов напряжения и тока
Стабилизированные источники питания необходимы для обеспечения независимости параметров электронного устройства от изменений питающего напряжения. Практически в любой современной аппаратуре имеется стабилизатор напряжения, а то и несколько. В таких устройствах часто применяются операционные усилители ( ОУ ), с помощью которых решить эту задачу просто и эффективно с точностью регулировки и стабильности в диапазоне 0,01…0,5 %, причём
Простейший стабилизатор напряжения представляет собой усилитель постоянного тока, на вход которого подано постоянное напряжение стабилитрона или часть его. Нагрузочная способность такого стабилизатора определяется силой максимального выходного тока ОУ.
Следящие стабилизаторы, как правило, работают на принципе сравнения опорного и выходного напряжений, усиления их разности и управления электропроводностью регулирующего транзистора.
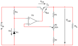
Стабилизатор по схеме Рис.1 выдаёт напряжение Uвых большее, чем опорное напряжение стабилитрона VD1, а стабилизатор Рис.2 – меньшее. Стабилизаторы питаются от одного источника. С помощью эмиттерного повторителя VT2 увеличивают ток нагрузки, в нашем примере – до 100 мА, но можно и более с составным повторителем на мощном транзисторе. Транзистор VT1 защищает выходной транзистор VT2 от перегрузок по току, причём датчиком тока служит резистор R8 небольшого сопротивления, включённый в цепь эмиттера транзистора VT2. Когда падение напряжения на нём превысит Uб-э=0,6 В, откроется транзистор VT1 и зашунтирует эмиттерный переход транзистора VT2. При токах нагрузки до 10…15 мА резисторы R7, R8 и транзисторы VT1, VT2 можно не ставить. Отметим, что в стабилитронах по схемам на Рис.1, 2 входное напряжение не должно превышать максимально допустимой суммы напряжений питания.
На Рис.3а приведена схема подобного стабилизатора в котором ОУ включён таким образом, что он сам питается стабилизированным напряжением. Здесь дополнительно включены несколько элементов, улучшающих работу стабилизатора напряжения. Потенциал выхода ОУ DA1 смещён в сторону положительного напряжения с помощью стабилитрона VD3 и транзистора VT1. Выходной эмиттерный повторитель – составной ( VT2, VT3 ), а к базе защитного транзистора VT4 подключён делитель R4R5, что позволяет создать “падающую” характеристику ограничения тока перегрузки. Ток короткого замыкания не превышает 0,3 А. Термокомпенсированный источник опорного напряжения выполнен на
Практически нулевые пульсации напряжения на выходе может обеспечить стабилизатор по схеме Рис.4. Если движок переменного резистора R1 находится в верхнем (по схеме) положении, амплитуда пульсаций максимальна. По мере перемещения движка вниз амплитуда будет уменьшаться, так как напряжение пульсаций, поданное на инвертирующий вход ОУ через конденсатор С2, в противофазе складывается с выходным напряжением пульсаций. Примерно в среднем положении движка резистора R1 пульсации будут компенсированы.
В случае необходимости получения отрицательного выходного напряжения необходимо в качестве повторителя применить p-n-p транзистор, а также заземлить положительную шину питания ОУ. Но можно поступить по-другому, если в аппаратуре требуются стабилизированные напряжения разной полярности.
На Рис.5 приведены две упрощённые схемы соединения стабилизаторов для получения выходных напряжения разного знака. В первом случае входная и выходная цепи имеют общую шину. Пусть, например, имеются только положительные стабилизаторы. Тогда в стабилизаторе по второй схеме можно применить, если оба канала по входным цепям гальванически развязаны, чтобы можно было заземлять положительный полюс нижнего (по схеме) стабилизатора. Источником опорного напряжения для одного из каналов служит стабилитрон, а для второго – выходное напряжение первого стабилизатора. Для этого необходимо включить делитель из двух резисторов между выводами +Uст и -Uст стабилизаторов и подвести напряжение средней точки делителя к неинвертирующему входу ОУ второго стабилизатора, заземлив инвертирующий вход ОУ. Тогда выходные напряжения двух стабилизаторов ( несимметричные в общем случае ) связаны и регулирование напряжений осуществляется одним переменным резистором.
В случае если необходимо иметь два питающих напряжения с заземлённой средней точкой, то можно применить активный делитель на ОУ с повторителями для увеличения нагрузочной способности (Рис. 6). Если R1=R2, то равны и выходные напряжения относительно заземлённой средней точки. Через выходные транзисторы VT1 и VT2 протекают полные токи нагрузки, а падение напряжения на участках коллектор – эмиттер равны половине входного напряжения. Это надо иметь в виду при выборе радиаторов охлаждения.
Ключевые стабилизаторы напряжения зарекомендовали себя наилучшим образом с точки зрения экономичности, так как КПД таких устройств всегда высокий. Несмотря на их сложность по сравнению с линейными стабилизаторами, только за счёт уменьшения размеров теплоотводящего радиатора проходного транзистора ключевой стабилизатор позволяет уменьшить габариты регулируемого мощного источника питания в два – три раза. Недостаток ключевых стабилизаторов заключается в повышении уровня помех. Однако рациональное конструирование, и когда весь блок выполнен в виде экранированного модуля с расположенной непосредственно на теплоотводе мощного транзистора платой управления, позволяет свести помехи к минимуму. Устранить “пролезание” высокочастотных помех в нестабилизированный источник первичного питания и нагрузку можно путём включения последовательно радиочастотных дросселей, рассчитанный на постоянный ток 1…3 А. В ключевых стабилизаторах напряжения с успехом применяются интегральные компараторы.
На Рис. 7 приведена схема релейного стабилизатора на базе микросхемы К554СА2. Здесь компаратор DA1 работает от источников напряжения +12 и -6 В. Эта комбинация образована подключением вывода 11 положительного питания DA1 к эмиттеру транзистора VT1 (+18 В), вывода 2 – к стабилитрону VD6 (примерно +6 В), вывода 6 отрицательного питания – к нулевому потенциалу общей шины. Опорное напряжение стабилизатора формируется диодами VD3 – VD5, оно равно +4,5 В. Это напряжение подаётся на инвертирующий вход компаратора DA1, включённого по схеме детектора уровня с гистерезисной характеристикой из-за положительной обратной связи по цепи R5, R3. Цепь отрицательной обратной связи замыкается через усилительный транзистор VT2, ключевой элемент на транзисторах VT3, VT4 и фильтр L1C7. Глубину отрицательной обратной связи по выходному напряжению регулируют переменным резистором R4, в результате оно изменяется в пределах 4…20 В при минимальном входном нестабилизированном напряжении +23 В и максимальном – до +60 В с применением элементов, рассчитанных на такое напряжение. В то же время переменная составляющая выходного напряжения ( пульсации ) проходят без ослабления через конденсатор С4, поэтому регулирование выходного напряжения не приводит к пропорциональному изменению пульсаций.
Данный стабилизатор напряжения относится к числу автогенерирующих, когда в зависимости от входного напряжения и тока нагрузки, разряжающего накопительный конденсатор C7, автоматически меняется как период автоколебаний, так и время включённого состояния транзисторов VT3, VT4. Усилитель управления на компараторе DA1 и транзисторе VT2 открывает ключевой элемент в тот момент, когда потенциал инвертирующего входа станет меньше, чем потенциал неинвертирующего (опорного) входа. В этот момент напряжение на нагрузке падает несколько ниже заданного уровня стабилизации, т.е пульсирует. После включения транзисторов VT3, VT4 ток через дроссель L1 нарастает, его индуктивность и конденсатор С7 запасает энергию, так что потенциал инвертирующего входа повышается. Благодаря действию усилителя управления ключевой элемент закрывается. Затем фильтр L1C7 отдаёт некоторую часть запасённой энергии в нагрузку, причём полярность напряжения на дросселе L1 меняется и цепь питания замыкается через диод VD7. Как только напряжение на конденсаторе С7 станет ниже опорного на величину гистерезиса, вновь включаются транзисторы VT3, VT4. Далее циклы повторяются.
В качестве дросселя L1 можно применить дроссели фильтров промышленного изготовления, например из серий Д8, Д5 – плоские и др., среди которых выбирают типономинал с требуемой индуктивностью, рассчитанный на ток подмагничивания не менее ожидаемого тока нагрузки и пригодный к использованию на частотах до 50 кГц.
Диод VD7 должен быть обязательно быстродействующим с большим допустимым импульсным током, не менее удвоенного значения тока нагрузки. В стабилизаторе по схеме на Рис. 7, где ток нагрузки 2 А, возможна замена его на диоды КД212Б, КД217А и некоторые другие. Конденсатор С7 из ряда К53 или танталовый типов К52-7А, К52-9, К52-10, С9 – ёмкостью не менее 15,…2,2 мкФ.
Большая потребность в стабилизаторах для питания аппаратуры привела к необходимости разработки и производства специальных линейных микросхем – стабилизаторах напряжения. В интегральном исполнении преобладают последовательные регуляторы с непрерывным или импульсным режимом управления. Стабилизаторы строятся как для положительных так и для отрицательных напряжений питания. Выходное напряжение может быть регулируемым или фиксированным, например +5 В для питания блоков с цифровыми микросхемами или ±15 В для питания аналоговых микросхем. К данной группе из выпускаемых стабилизаторов относятся категория регулируемых стабилизаторов КР142ЕН1 и К142ЕН2.
На базе микросхем КР142ЕН1,2 можно создавать стабилизаторы отрицательных напряжений Рис. 8. При этом стабилитрон VD1 смещает уровень напряжения на выводе 8 относительно входного напряжения. Базовый ток транзистора VT1 не должен превышать максимально допустимого тока стабилизатора, иначе следует применить составной транзистор.
Широкие возможности микросхем КР142ЕН1,2 позволяют создавать на их основе релейные стабилизаторы напряжения (Рис. 9). В таком стабилизаторе опорное напряжение установлено делителем R4R5, а амплитуда пульсаций выходного напряжения на нагрузке задаётся делителем R2R3. Следует также иметь в виду, что ток нагрузки не может изменяться в широких пределах, обычно не более чем в два раза от номинального значения. Преимуществом релейных стабилизаторов является высокий КПД.
Также следует рассмотреть ещё один класс стабилизаторов – стабилизаторов тока, преобразующих напряжение в ток независимо от изменения напряжения нагрузки. Мощные источники тока предусматривают подключение к ОУ усилительных транзисторов.
На Рис.10 дана схема источника тока, а на Рис. 11 – схема приёмника тока. В обоих устройствах сила тока зависит от напряжения Uвх и номинала резистора R1, чем меньше входной ток ОУ и тем меньше ток управления первого (после ОУ) транзистора, который выбран поэтому полевым. Ток нагрузки может достигать 100 мА.
Схема простого мощного источника тока для зарядки устройства показана на Рис. 12. Здесь R4 – токоизмерительный проволочный резистор. Номинальное значение тока нагрузки Iн =ΔU/R4=5 A устанавливается примерно при среднем положении движка резистора R1. При зарядке автомобильной аккумуляторной батареи напряжение Uвх ≥ 18 В без учёта пульсаций выпрямленного переменного напряжения. В таком устройстве следует применять ОУ с диапазоном входного напряжения вплоть до напряжения положительного питания. Такими возможностями обладают ОУ К553УД2, К153УД2, К153УД6, а также КР140УД18.
Более подробно по данной тематике можно найти в источнике:
“В ПОМОЩЬ РАДИОЛЮБИТЕЛЮ” выпуск 91, МОСКВА издательство ДОСААФ СССР, 1985 стр. 39-53
Похожее
Регулируемый стабилизатор тока
Содержание:
- Общее устройство и технические характеристики
- Диодные стабилизаторы тока
- Видео
В электронной аппаратуре очень часто необходимо выполнять различные регулировки, в первую очередь связанные с источниками тока и блоками питания. Необходимые выходные характеристики и другие параметры позволяет получить регулируемый стабилизатор тока. В основном используется модель LM317 лучше всего подходящая для проектирования.
Устройство и технические характеристики
Регулируемые стабилизаторы тока успешно применяются в схемах источников питания и различных зарядных устройств. Данные приборы предназначены для стабилизации тока на заданном уровне. Благодаря их низкой стоимости, существенно упрощается разработка схем большинства электронных приборов. Работу этих устройств наглядно демонстрирует простой регулируемый стабилизатор напряжения и тока.

Для этого следует воспользоваться идеальным источником тока, обладающим бесконечно большой электродвижущей силой и значительным внутренним сопротивлением. Такие параметры позволяют получить в цепи ток с требуемыми характеристиками, независимо от сопротивления нагрузки. Таким образом, идеальный источник создает ток, имеющий постоянную величину при изменяющемся сопротивлении нагрузки в пределах от короткого замыкания до бесконечности.
Чтобы поддержать величину тока на неизменном уровне, значение ЭДС должно изменяться от величины больше нуля до бесконечности. В результате, стабильное токовое значение получается, благодаря важному свойству источника тока: с изменением сопротивления нагрузки происходит изменение ЭДС источника тока так, чтобы токовое значение оставалось постоянным.

В отличие от постоянного тока, реальные источники тока способны поддерживать ток на нужном уровне лишь в ограниченном диапазоне напряжения на нагрузке и ограниченном сопротивлении нагрузки. Реальный источник может работать даже с нулевым сопротивлением нагрузки, а также в режиме замыкания на выходе без каких-либо сложностей. То есть, при случайном замыкании выхода, прибор просто перейдет на другой режим работы, где сопротивление нагрузки выше нуля.
Как правило, практикуется использование реального источника тока с реальным источником напряжения. В качестве таких источников выступают: электрическая сеть, напряжением 220 В, частотой 50 Гц, аккумуляторы, лабораторные блоки питания, солнечные батареи, бензиновые генераторы и другие поставщики электроэнергии. С любым из них осуществляется последовательное включение регулируемого стабилизатора тока. Выход этого прибора соответственно используется в качестве источника тока.
Диодные стабилизаторы тока
Простейшие регулируемые стабилизаторы тока хорошо подходят для зарядного устройства. Они изготавливаются в виде двухвыводного компонента, ограничивающего ток, протекающий через него. Величина и точность параметров тока заранее устанавливается изготовителем. Корпус регулируемого стабилизатора в большинстве случаев очень похож на диод малой мощности. Поэтому данные устройства из-за внешнего сходства нередко называются диодными стабилизаторами тока.

Использование диодных стабилизаторов делает электрические схемы значительно проще и снижает общую себестоимость приборов. Они не только отличаются простотой исполнения, но и существенно повышают устойчивость работы различных электронных устройств. Уровень стабилизации тока обеспечивается в пределах 0,22-30 мА.
Диодные стабилизаторы очень хорошо зарекомендовали себя при работе со светодиодами, поскольку они обеспечивают надежность и требуемый режим работы. Эти устройства могут работать в диапазоне напряжений 1,8-100 В, защищая таким образом светодиоды от выхода из строя под действием импульсных и продолжительных изменений напряжения. Яркость свечения светодиода, его оттенки и цветовая гамма полностью зависят от тока, протекающего по нему. Одного диодного стабилизатора вполне достаточно для нормальной работы сразу нескольких светодиодов включенных в последовательную цепь.
Данная схема легко преобразуется в другие формы в зависимости от питающего напряжения и марки применяемых светодиодов. Их ток может задаваться с помощью одного или нескольких стабилизаторов, параллельно включенных в цепь. Количество светодиодов в схеме определяется диапазоном изменения напряжения. Диодные источники тока применяются в создании осветительных или индикаторных приборов, питающихся от постоянного напряжения. Питание стабильным током обеспечивает постоянную яркость источника света даже в случае перепадов напряжения. Необходимый режим питания нагрузки регулируется путем параллельного включения определенного количества стабилизаторов. Такая конструкция может быть легко изготовлена своими руками.

Работа стабилизирующих устройств хорошо видна на примере оптопары или оптрона. В состав этого электронного прибора входит светодиодный излучатель и фотоприемник. В процессе работы электрический сигнал преобразуется в световой, затем он передается по оптическому каналу и далее вновь преобразуется в электрический сигнал. Если питание светодиода осуществляется с помощью резистора пульсации напряжения, это может вызвать колебания яркости. Данная проблема успешно устраняется регулирующим диодным стабилизатором. Это позволяет избежать существенных искажений цифровых сигналов, передаваемых через оптопару и повысить надежность информационного канала.
Стабилизаторы тока не следует путать со стабилизаторами напряжения. Стабилизация выходного тока характеризуется изменяющимся выходным напряжением, тогда как нагрузочный ток всегда остается одинаковым.
Среди многих регулируемых стабилизаторов широкой популярностью пользуется стабилизатор на полевом транзисторе, подключаемого последовательно с сопротивлением нагрузки. При такой схеме ток нагрузки лишь незначительно изменяется, в отличие от входного напряжения. Сами полевые транзисторы работают под управлением электрического поля, поэтому они и стали так именоваться. Конструкция этих элементов включает внутреннюю переходную емкость, через которую во время переключения протекает небольшое количество тока. Таким образом, затраты на управление требуют лишь незначительной мощности.
Микросхемы регулируемые стабилизаторы напряжения. Микросхемы стабилизаторы напряжения. Параметрические
Доброго времени суток!
Сегодня, хотелось бы затронуть тему питания электронных устройств.
Итак, прошивка готова, микроконтроллер куплен, схема собрана, остается лишь подключить питание, но где его взять? Предположим что микроконтроллер AVR и схема запитывается 5 вольтами.
Получить 5в нам помогут следующие схемы:
Линейный стабилизатор напряжения на микросхеме L 7805
Данный способ самый простой и дешевый. Нам понадобятся:
- Микросхема L 7805 или её аналоги.
- Крона 9v или любой другой источник питания (ЗУ телефона, планшета, ноутбука).
- 2 конденсатора (для l 7805 это 0.1 и 0.33 микроФарад).
- Радиатор.
Соберем следующую схему:
Данный стабилизатор основывает свою работу на микросхеме l 7805, которая обладает следующими характеристиками:
Максимальный ток: 1.5A
Входное напряжение: 7-36 В
Выходное напряжение:5 В
Конденсаторы служат для сглаживания пульсаций. Однако, падение напряжения происходит непосредственно на микросхеме. То есть если на вход мы подаем 9 вольт, то 4 вольта (Разница между входным напряжением и напряжением стабилизации) упадут на микросхеме l 7805. Это приведет к выделению тепла на микросхеме, количество которого легко рассчитать по формуле:
(Входное напряжение – напряжения стабилизации)* ток через нагрузку.
То есть если мы подаем 12 вольт на стабилизатор, которым мы питаем схему, которая потребляет 0.1 Ампера, на l 7805 рассеется (12-5)*0.1=0.7 вт тепла. Поэтому, микросхему необходимо закрепить на радиаторе:
Плюсы данного стабилизатора:
- Дешевизна (Без учета радиатора).
- Простота.
- Легко собирается навесным монтажом, т.е. отсутствует необходимость изготовления печатной платы.
Минусы:
- Необходимость размещения микросхемы на радиаторе.
- Отсутствует возможность регулировки стабилизируемого напряжения.
Данный стабилизатор отлично подойдет как источник напряжения для простых, нетребовательных к питанию схем.
Импульсный стабилизатор напряжения
Для сборки нам понадобится:
- Микросхема LM 2576S -5.0 (Можно взять аналог, однако обвязка будет другой, уточните в документации конкретно вашей микросхемы).
- Диод 1N5822.
- 2 конденсатора(Для LM 2576S -5.0, 100 и 1000 микроФарад).
- Дроссель (Катушки индуктивности) 100 микроГенри.
Схема подключения следующая:
Микросхема LM
2576S
-5.0 обладает следующими характеристиками:
- Максимальный ток: 3A
- Входное напряжение:7-37 В
- Выходное напряжение: 5В
Стоит заметить что данный стабилизатор требует большего количества компонентов(А так же наличия печатной платы, для более аккуратного и удобного монтажа). Однако данный стабилизатор обладает огромным преимуществом перед линейным собратом — он не греется, да и максимальный ток в 2 раза выше.
Плюсы данного стабилизатора:
- Меньший нагрев (Отсутствует необходимость покупки радиатора).
- Больший максимальный ток.
Минусы:
- Дороже линейного стабилизатора.
- Сложность навесного монтажа.
- Отсутствует возможность изменения стабилизируемого напряжения (При применении микросхемы LM 2576S -5.0).
Для питания простых любительских схем на микроконтроллерах AVR , представленных выше стабилизаторов достаточно. Однако в следующих статьях, мы попробуем собрать лабораторный блок питания, который позволит быстро и удобно настраивать параметры питания схем.
Спасибо за внимание!
Выпускаемые отечественной промышленностью интегральные стабилизаторы напряжения серии КР142 позволяют простыми схемными методами получить стабилизированные напряжения в достаточно большом диапазоне — от единиц вольт до нескольких десятков вольт. Рассмотрим некоторые схемные решения, которые могут представить интерес для радиолюбителей.
Микросхема КР142ЕН5А — это интегральный стабилизатор с фиксированным выходным напряжением +5 В. Типовая схема включения этой микросхемы уже была представлена в книге (см.
рис. 105). Однако, несколько изменив схему включения, можно на базе этой микросхемы построить стабилизатор с регулируемым выходным напряжением в диапазоне от 5,6 В до 13 В. Схема представлена на рис. 148.
На вход интегрального стабилизатора (вывод 17 микросхемы DA1) поступает нестабилизированное напряжение +16 В, а на вывод 8 — сигнал с выхода стабилизатора, регулируемый переменным резистором R2 и усиленный по току транзистором VT1. Минимальное напряжение (5,6 В) складывается из напряжения между коллектором и эмиттером полностью открытого транзистора, которое равно около 0,6 В, и номинального выходного напряжения интегрального стабилизатора в его типовом включении (5 В). При этом движок переменного резистора R2 находится в верхнем по схеме положении. Конденсатор С1 сглаживает пульсации напряжения; конденсатор С2 устраняет возможное высокочастотное возбуждение микросхемы. Ток нагрузки стабилизатора — до 3 А (микросхема при этом должна быть размещена на теплоотводящем радиаторе).
Микросхемы К142ЕН6А (Б, В, Г) представляют собой интегральные двуполярные стабилизаторы напряжения с фиксированным выходным напряжением 15 В. При этом максимальное входное напряжение каждого из плеч 40 В, а максимальный выходной ток — 200 мА. Однако на базе этого стабилизатора можно построить двуполярный регулируемый источник стабилизированного напряжения. Схема представлена на рис. 149.
Изменяя напряжение на выводе 2 интегрального стабилизатора, можно изменять выходное напряжение каждого плеча от 5 В до 25 В. Пределы регулировки для обоих плеч устанавливают резисторами R2 и R4. Следует помнить, что максимальная рассеива-
емая мощность стабилизатора — 5 Вт (разумеется, при наличии теплоотвода).
Микросхемы КР142ЕН18А и КР142ЕН18Б представляют собой регулируемые стабилизаторы напряжения с выходным напряжением 1,2…26,5 В и выходным током 1 А и 1,5 А соответственно. Регулирующий элемент стабилизатора включен в минусовой провод источников питания. Корпус и цоколевка стабилизаторов этого типа аналогичны микросхеме КР142ЕН5А.
Микросхемы оснащены системой защиты от перегрузки выходным током и от перегрева. Входное напряжение должно находиться в диапазоне 5…30 В. Мощность, рассеиваемая микросхемой с теплоотводом, не должна превышать 8 Вт. Типовая схема включения микросхем КР142ЕН18А (Б) приведена на рис. 150.
При всех условиях эксплуатации емкость входного конденсатора С 1 не должна быть менее 2 мкФ. При наличии сглаживающего фильтра выходного напряжения, если длина проводников, соединяющих ег
Регулируемый стабилизатор напряжения и тока
Многие электронные приборы для нормальной работы требуют наличия стабильного питающего электричества. Электрическая сеть, генераторы и химические элементы питания сами по себе не могут обеспечить это условие. Поэтому современная электроника снабжена блоками питания, в которых присутствуют стабилизаторы напряжения и тока.
Стабилизатор напряжения
Под ст. напряжения (U) понимают прибор, схемотехника которого собрана таким образом, что в автоматическом режиме позволяет удерживать уровень (U) на входе потребителя неизменным в заданных пределах. Применяют устройства в тех случаях, когда на источнике питания нет стабильного электричества.
В зависимости от рода электричества приборы бывают:
- переменного напряжения;
- постоянного напряжения.
По принципу действия:
- компенсационного типа;
- параметрические.
При помощи этих устройств невозможно достичь идеального выравнивания, но лишь частично сгладить дестабилизацию.
Стабилизатор тока
Стабилизаторы тока (I) иначе называют генераторами тока. Их основная задача – вне зависимости от того, какая нагрузка подключается на выходе устройства (имеется в виду сопротивление нагрузки), выдавать постоянно стабильный ток (I). Для обеспечения этого условия все без исключения приборы имеют входное сопротивление больших значений.
Сфера применения устройств обширна. Их используют в цепях питания светодиодных светильников, газоразрядных ламп и всегда в зарядных устройствах, где используется опция изменения величины зарядного тока.
В качестве простейшей схемы ст. выступает комбинация – источник напряжения плюс резистор. Это традиционная схема питания светодиодного индикатора. Недостатком такого технического решения является потребность в использовании источника питания высокого (U). Только это условие позволяет применить высокоомный резистор для достижения эффекта стабилизации.
Виды стабилизаторов
Рассматривая стабилизаторы напряжения и тока, нужно понимать, что они бывают разного типа для разного рода электричества. Так, классификация делит их на приборы для работы в цепях постоянного либо переменного электричества. По принципу получения стабилизации бывают компенсационные и параметрические схемы.

В устройствах параметрического типа применяют радиоэлементы, у которых вольт-амперная характеристика (ВАХ) имеет нелинейный вид. Так, этими элементами для работы с переменным напряжением выступают дроссели с насыщенным сердечником ферромагнитным. Вопрос стабилизации постоянного напряжения решается за счет стабисторов и стабилитронов. Ток стабилизируют при помощи транзисторов – полевиков и биполярников.
Стабилизаторы напряжения и тока компенсационного типа работают по принципу компенсации при сравнивании фактического параметра электричества с опорным, выдаваемым определенным узлом устройства. В таких системах имеется обратная связь, через которую приходит управляющий сигнал на регулирующий элемент. Под воздействием сигнала параметры прибора управляемого изменяются пропорционально изменению входного электричества, а на выходе оно остается стабильным. Компенсационные устройства бывают непрерывного регулирования, импульсные и непрерывно-импульсные.
И параметрические, и компенсационные стабилизаторы напряжения и тока можно охарактеризовать по массогабаритным, качественным и энергетическим показателям. К качественным для стабилизаторов (U) относятся:
- коэффициент стабилизации по напряжению на входе;
- внутреннее сопротивление схемы;
- коэффициент выравнивания пульсации.
Для стабилизаторов (I):
- коэффициент по входному (U) стабилизации тока;
- коэффициент стабилизации в процессе, когда нагрузка изменяется;
- коэффициент ст. температурный.
К параметрам энергетического характера причисляют:
- КПД;
- мощность, которую регулирующий элемент способен рассеивать.
Регулируемый стабилизатор напряжения и тока
Чтобы получить стабилизацию с возможностью регулирования электрических параметров и более высоким коэффициентом, применяют сложные транзисторные схемы.

Схема состоит из:
- Ст. тока на транзисторе VT1. Его задача – выдавать постоянный ток на коллекторе, который далее идет через усилитель и на базу регулирующего элемента.
- Усилителя (I) на биполярнике VTy. Этот транзистор реагирует на падение напряжения на резистивном делителе.
- Регулирующий элемент на транзисторе VT2. Благодаря ему выходное (U) либо уменьшается, либо увеличивается.
Для питания бытовых приборов применяют стабилизаторы напряжения переменного тока. Стандартные параметры таких приборов:
- Возможность регулировки (U) на выходе, не искажая сигнал.
- Стабилизация большого разброса напряжения на входе от 140 до 260 вольт.
- Высокий показатель точности поддержания (U) с расхождением не более 2%.
- Высокий КПД.
- Наличие схем защиты от перегрузок.
Схемы стабилизаторов тока и напряжения
Параметрический прибор (U), собранный по однокаскадной схеме.

Схема состоит из:
- Стабилитрона, на котором падает одно значение напряжения вне зависимости от (I), проходящего через него.
- Резистора гасящего, где выделяется излишек (U) при увеличении тока.
- Диода, выполняющего роль температурного компенсатора.
По двухкаскадной схеме.
Такие схемы имеют лучшие показатели стабилизации, так как состоят из:
- Предварительного каскада стабилизации, выполненного на двух последовательно соединенных стабилитронах, где присутствует также термокомпенсация за счет положительного и отрицательного температурного коэффициентов радиоэлементов.
- Оконечного каскада стабилизации на стабилитроне и гасящем резисторе, который питается от первого каскада.
Параметрический прибор тока на полевике по схеме – исток-затвор закорочены.

Так как между истоком и затвором транзистора полевого отсутствует (U), то он пропускает только определенное значение (I) в независимости от изменений напряжения на входе. Недостаток схемы связан с разбросом характеристик полевиков, отчего сложно установить точное значение стабилизируемого тока.
Стабилизатор параметрический напряжения со встроенным токовым стабилизатором.

Схема является комбинацией однокаскадного стабилизатора напряжения, где вместо гасящего сопротивления включен элемент стабилизации (I) на полевике. Такое исполнение имеет больший коэффициент стабилизации.
Стабилизатор компенсационный с (U) постоянного значения и регулированием в непрерывном режиме.

Устройство стабилизации электричества своими руками
Современные стабилизирующие устройства реализованы в микросхемах. Собрать стабилизатор напряжения и тока своими руками можно, используя LM317. Это самая простая схема, не требующая наладки.

Вместо печатной платы можно использовать пластину гетинакса или текстолита. Не обязательно вытравливать дорожки. Схема простая, поэтому контакты удобнее сделать отрезками проводов.

Заключение
Важно знать, что все регулирующие элементы в схемах могут сильно греться, особенно это касается микросхем. Поэтому их необходимо устанавливать на радиатор.
Для надежной защиты бытового оборудования среди устройств промышленного образца можно применить стабилизатор напряжения переменного тока «Ресанта».
Стабилизатор напряжения — Википедия
Стабилиза́тор напряже́ния (англ. Voltage regulator) — электромеханическое[1] или электрическое (электронное) устройство, имеющее вход и выход по напряжению, предназначенное для поддержания выходного напряжения в узких пределах, при существенном изменении входного напряжения и выходного тока нагрузки.
Источник стабилизированного питания (англ. Power conditioner) — оборудование, применяемое для преобразования электрической энергии в форму, пригодную для последующего использования.[2]
По типу выходного напряжения стабилизаторы делятся на стабилизаторы постоянного напряжения и переменного напряжения. Как правило, вид напряжения на входе стабилизатора и на его выходе совпадают (постоянное либо переменное), но в некоторых типах стабилизаторов их виды разные.
Стабилизаторы постоянного напряжения[править | править код]
Микросхема линейного стабилизатора КР1170ЕН8Линейный стабилизатор[править | править код]
Линейный стабилизатор напряжения представляет собой делитель напряжения, на вход которого подаётся входное (нестабильное) напряжение, а выходное (стабилизированное) напряжение снимается с нижнего плеча делителя. Стабилизация осуществляется путём изменения сопротивления одного из плеч делителя: сопротивление постоянно поддерживается таким, чтобы напряжение на выходе стабилизатора находилось в установленных пределах.
При большом отношении величин входного/выходного напряжений линейный стабилизатор имеет низкий КПД, так как большая часть входной мощности рассеивается в виде тепла на регулирующем элементе, мощность потерь в последовательном стабилизаторе PL{\displaystyle P_{L}}:
- PL=(Uin−Uout)⋅Iout,{\displaystyle P_{L}=(U_{in}-U_{out})\cdot I_{out},}
- где Uin{\displaystyle U_{in}} — входное напряжение стабилизатора,
- Uout{\displaystyle U_{out}} — выходное напряжение стабилизатора,
- Iout{\displaystyle I_{out}} — выходной ток стабилизатора.
Поэтому регулирующий элемент в стабилизаторах такого типа и повышенной мощности должен рассеивать значительную мощность, то есть должен быть установлен на радиатор нужной площади.
Преимущество линейного стабилизатора — простота, отсутствие помех и небольшое количество используемых электронных компонентов.
В зависимости от включения элемента с изменяемым сопротивлением линейные стабилизаторы классифицируются на два типа:
- Последовательный: регулирующий элемент включен последовательно с нагрузкой.
- Параллельный: регулирующий элемент включен параллельно нагрузке.
В зависимости от способа стабилизации:
- Параметрический: в таком стабилизаторе используется участок ВАХ прибора, где дифференциальное сопротивление прибора мало в широко диапазоне изменения токов, протекающих через прибор.
- Компенсационный: имеет обратную связь. В нём напряжение на выходе стабилизатора сравнивается с эталонным, из разницы между ними формируется управляющий сигнал для регулирующего элемента.
Параллельный параметрический стабилизатор на полупроводниковом стабилитроне[править | править код]
В этой схеме может быть применён как полупроводниковый стабилитрон, так и газоразрядный стабилитрон тлеющего разряда.
Такие стабилизаторы применяется для стабилизации напряжения схем с малым потребляемым током, так как для стабилизации напряжения ток через стабилитрон D1{\displaystyle D1} должен в несколько раз (3 — 10) превышать ток потребления от стабилизатора в присоединённой нагрузке RL{\displaystyle R_{L}}. Обычно такая схема линейного стабилизатора применяется в качестве источника опорного напряжения в более сложных схемах регулирующих стабилизаторов.
Для снижения нестабильности выходного напряжения, вызванной изменениями входного напряжения, вместо резистора RV{\displaystyle R_{V}} включают двухполюсник с высоком дифференциальным сопротивлением на участке ВАХ в диапазоне рабочих токов, работающий как источника тока. Однако эта мера не уменьшает нестабильность выходного напряжения, вызванную изменением сопротивления нагрузки.
Последовательный стабилизатор на биполярном транзисторе[править | править код]
В этой схеме напряжение на базе регулирующего транзистора равно напряжению на стабилитроне Uz{\displaystyle U_{z}} и выходное напряжение будет: Uout=Uz−Ube, {\displaystyle U_{out}=U_{z}-U_{be},\ } Ube{\displaystyle U_{be}} — напряжение между базой и эмиттером транзистора. Так как Ube{\displaystyle U_{be}} мало зависит от тока эмиттера, — выходного тока стабилизатора, и невелико (0,4 В для германиевых транзисторов и 0,6—0,65 В для кремниевых транзисторов) приведённая схема осуществляет стабилизацию напряжения.
Фактически схема представляет собой рассмотренный выше параллельный параметрический стабилизатор на стабилитроне, подключённый ко входу эмиттерного повторителя. В нём нет контура авторегулирования, обеспечивающего практически полную компенсацию изменений выходного напряжения и изменений выходного тока.
Выходное напряжение меньше напряжения стабилизации стабилитрона на величину Ube{\displaystyle U_{be}}, которая мало зависит от величины тока, протекающего через транзистор. Некоторая зависимость Ube{\displaystyle U_{be}} от величины тока и температуры ухудшает стабильность выходного напряжения, по сравнению с параллельным параметрическим стабилизатором на стабилитроне.
Эмиттерный повторитель здесь является усилителем тока и позволяет увеличить максимальный выходной ток стабилизатора, по сравнению с параллельным параметрическим стабилизатором на стабилитроне, в Bst{\displaystyle B_{st}} раз, Bst{\displaystyle B_{st}} — статический коэффициент передачи тока транзистора в режиме с общим коллектором. Так как Bst{\displaystyle B_{st}} в несколько десятков раз больше 1, малый ток, отбираемый от параметрического стабилизатора усиливается в Bst{\displaystyle B_{st}} раз. Если такого усиления тока недостаточно для обеспечения заданного выходного тока, то применяют составной транзистор, например, пару Дарлингтона.
При очень малом токе нагрузки, порядка единиц — десятков мкА, выходное напряжение такого стабилизатора (напряжение холостого хода) возрастает на примерно 0,6 В, так как Ube{\displaystyle U_{be}} при таких токах становится близким к нулю. В некоторых применениях это нежелательно, тогда к выходу стабилизатора подключают дополнительный нагрузочный резистор, обеспечивающий в любом случае минимальный ток нагрузки стабилизатора в несколько миллиампер.
Последовательный компенсационный стабилизатор с контуром авторегулирования[править | править код]
В таких стабилизаторах выходное напряжение сравнивается с опорным напряжением, разность этих напряжения усиливается усилителем сигнала рассогласования, выход усилителя сигнала рассогласования управляет регулирующим элементом.
В качестве примера приведена схема на рисунке. Часть выходного напряжения Uout{\displaystyle U_{out}}, снимаемая с резистивного делителя напряжения, состоящего из потенциометра R2{\displaystyle R2} и постоянных резисторов R1, R3{\displaystyle R1,\ R3} сравнивается с опорным напряжением Uz{\displaystyle U_{z}} от параметрического стабилизатора — стабилитрона D1{\displaystyle D1}. Разность этих напряжений усиливается дифференциальным усилителем на операционном усилителе (ОУ) U1{\displaystyle U1}, выход которого изменяет базовый ток транзистора, включенного по схеме эмиттерного повторителя[3].
В этой схеме имеется контур авторегулирования, — петля отрицательной обратной связи. Если выходное напряжение меньше заданного, то через обратную связь регулирующий транзистор открывается больше, если выходное напряжения больше заданного, — то наоборот.
Для устойчивости контура авторегулирования петлевой сдвиг фазы должен быть близок к 180°. Так как часть выходного напряжения Uout{\displaystyle U_{out}} подаётся на инвертирующий вход операционного усилителя U1{\displaystyle U1}, сдвигающего фазу на 180°, а регулирующий транзистор включен по схеме эмиттерного повторителя, который при низких частотах фазу не сдвигает, это обеспечивает устойчивость контура авторегулирования, так как петлевой сдвиг фазы близок к 180°.
Опорное напряжение Uz{\displaystyle Uz} зависит от величины тока, протекающего через стабилитрон. Основной источник нестабильности опорного напряжения — изменения входного напряжения, так как при таких изменениях изменяется ток стабилитрона. Для стабилизации тока при изменениях Uin{\displaystyle U_{in}} вместо резистора RV{\displaystyle R_{V}} иногда включают источник тока.
В этом стабилизаторе ОУ включён по схеме неинвертирующего усилителя (с эмиттерным повторителем, для увеличения выходного тока). Соотношение сопротивлений резисторов в цепи обратной связи задают его коэффициент усиления, определяющий во сколько раз выходное напряжение будет выше входного (то есть опорного, поданного на неинвертирующий вход ОУ). Поскольку коэффициент усиления неинвертирующего усилителя всегда больше единицы, величина опорного напряжения Uz{\displaystyle U_{z}} (напряжение стабилизации стабилитрона) должна быть выбрана меньше, чем Uout{\displaystyle U_{out}}, либо опорное напряжение снимают с резистивного делителя, подключённого к стабилитрону.
Нестабильность выходного напряжения такого стабилизатора практически полностью определяется нестабильностью опорного напряжения, так как за счёт большого коэффициента усиления современных ОУ, достигающих 105…106, остальные источники нестабильности выходного напряжения оказываются скомпенсированными.
Параметры такого стабилизатора оказались подходящими для многих практических нужд. Поэтому уже почти полвека выпускаются, и на сегодня имеют широчайшее применение, такие стабилизаторы в интегральном исполнении: КР142ЕН5А, 7805 и мн. др.
Импульсный стабилизатор[править | править код]
В импульсном стабилизаторе напряжение от нестабилизированного внешнего источника подаётся на накопитель энергии (обычно конденсатор или дроссель) короткими импульсами формируемыми посредством электронного ключа. Во время замкнутого состояния ключа в накопителе запасается энергия, которая затем передается в нагрузку. Применение в качестве накопительного элемента дросселя позволяет изменять выходное напряжение стабилизатора относительно входного без использования трансформаторов: увеличивать, снижать или инвертировать. Стабилизация осуществляется должным управлением длительностью импульсов и пауз между ними с помощью широтно-импульсной модуляции, частотно-импульсной модуляции или их комбинации.
Импульсный стабилизатор по сравнению с линейным обладает значительно более высоким КПД, так как регулирующий элемент работает в ключевом режиме. Недостатки импульсного стабилизатора — импульсные помехи в выходном напряжении и относительная сложность.
В отличие от линейного стабилизатора, импульсный стабилизатор может преобразовывать входное напряжение произвольным образом, зависящим от схемы стабилизатора и режима управления его ключами:
- Понижающий стабилизатор: выходное стабилизированное напряжение всегда ниже входного и имеет ту же полярность.
- Повышающий стабилизатор: выходное стабилизированное напряжение всегда выше входного и имеет ту же полярность.
- Повышающе-понижающий стабилизатор: выходное напряжение в зависимости от режима управления ключами может быть как выше, так и ниже входного и имеет ту же полярность. Такой стабилизатор применяется в случаях, когда входное напряжение может отличаться от выходного напряжения в любую сторону.
- Инвертирующий стабилизатор: выходное стабилизированное напряжение имеет обратную полярность относительно входного, абсолютное значение входного напряжения может быть любым.
- Универсальный — выполняющий все функции перечисленных.
Стабилизаторы переменного напряжения[править | править код]
Подразделяются на два основных вида
1) Однофазные стабилизаторы напряжения на 220-230 вольт- предназначение, бытовые, офисные и промышленные нагрузки небольших мощностей.
2) Трехфазные стабилизаторы напряжения на 380-400 вольт- предназначение, промышленные нагрузки средних и больших мощностей.
Феррорезонансные стабилизаторы[править | править код]
Феррорезонансный стабилизатор для питания цветных ламповых телевизоров, СССР, 1970-е — 1980-е гг.Во времена СССР получили широкое распространение бытовые феррорезонансные стабилизаторы напряжения. Обычно их использовали для питания телевизоров. В телевизорах первых поколений применялись сетевые блоки питания с линейными стабилизаторами напряжения (а некоторые цепи телевизора, например, цепи анодного напряжения и накала электровакуумных приборов питались нестабилизированным напряжением), что при суточных колебаниях и резких скачках сетевого напряжения, особенно в сельской местности, приводило к ухудшению качества изображения и требовало предварительной стабилизации переменного сетевого напряжения.
С появлением телевизоров более поздних поколений, например, 4УПИЦТ и УСЦТ, имевших импульсные блоки питания, исчезла необходимость во внешней дополнительной стабилизации напряжения сети.
Феррорезонансный стабилизатор состоит из двух дросселей: с ненасыщаемым сердечником (имеющим магнитный зазор) и насыщенным, а также конденсатора. Особенность насыщенного дросселя в том, что напряжение на нём мало изменяется при изменении тока через него, так как его ферромагнитный сердечник периодически насыщается. Подбором параметров дросселей и конденсаторов можно обеспечить стабилизацию напряжения при изменении входного напряжения в достаточно широких пределах. Недостатком таких стабилизаторов является чувствительность к частоте напряжения в питающей сети. Незначительное отклонение частоты питающей сети существенно влияет на выходное напряжение феррорезонансного стабилизатора.
Современные стабилизаторы[править | править код]
В настоящее время основными типами стабилизаторов являются:
- электродинамические
- с электромеханическим сервоприводом регулирующего элемента, например, автотрансформатора
- феррорезонансные
- электронные разных типов
- ступенчатые (силовые электронные ключи, симисторные, тиристорные)
- ступенчатые релейные (силовые релейные ключи)
- компенсационные (электронные плавные)
- комбинированные (гибридные)
Промышленностью производятся разнообразные модели с входным напряжением однофазной сети, (220/230 В), так и трёхфазной (380/400 В) исполнении, с выходной мощностью их от нескольких единиц ватт до нескольких мегаватт. Трёхфазные модели выпускаются двух модификаций: с независимой регулировкой по каждой фазе или с регулировкой по среднефазному напряжению на входе стабилизатора.
Выпускаемые модели также различаются по допустимому диапазону изменения входного напряжения, который может быть, например, таким: ±15 %, ±20 %, ±25 %, ±30 %, ±50 %,−25 %/+15 %, −35 %/+15 % или −45 %/+15 %. Чем шире диапазон (особенно в сторону снижения входного напряжения), тем больше габариты стабилизатора и выше его стоимость при той же выходной мощности. В настоящее время существуют модели стабилизаторов напряжения с нижним допустимым входным напряжением 90 вольт.
Важной характеристикой стабилизатора напряжения является его быстродействие, — скорость отклика на возмущение. Чем выше быстродействие, тем быстрее стабилизатор отреагирует на изменения входного напряжения. Быстродействие определяется как промежуток времени, за которое стабилизатор способен изменить выходное напряжение на один вольт. У разного типа стабилизаторов разная скорость быстродействия. —>
Важным параметром является точность стабилизации выходного напряжения стабилизатора переменного сетевого напряжения. Согласно ГОСТ 13109-97 предельно допустимо отклонение выходного напряжения на ±10 % от номинального. Точность стабилизации современных стабилизаторов напряжения колеблется в диапазоне от 0,5 % до 8 %.
Точности в 8 % вполне хватает для обеспечения исправной работы подавляющего большинства современной бытовых и промышленных электротехнических устройств со встроенными инверторными и импульсными блоками питания. Так как мощность оборудования напрямую зависит от напряжения, то для обеспечения корректной (заявленной производителем) работы с прогнозируемым результатом и расходом электроэнергии необходимо точное напряжения (0,5-1 %).[источник не указан 1477 дней] Более жесткие требования (точность стабилизации лучше 1 %) предъявляются для питания сложного оборудования (медицинское, высокотехнологичное и подобное). Важным потребительским параметром является способность стабилизатора отдавать номинальную мощность во всем диапазоне входного напряжения, но не все стабилизаторы обладают таким свойством.
КПД сервоприводных стабилизаторов большой мощности более 98 %, а электронных большой мощности — 96 %.
- Вересов Г. П. Электропитание бытовой радиоэлектронной аппаратуры. — М.: Радио и связь, 1983. — 128 с.
- Китаев В. В. Электропитание устройств связи. — М.: Связь, 1975. — 328 с. — 24 000 экз.
- Костиков В. Г., Парфенов Е. М., Шахнов В. А. Источники электропитания электронных средств. Схемотехника и конструирование: Учебник для ВУЗов. — 2. — М.: Горячая линия — Телеком, 2001. — 344 с. — 3000 экз. — ISBN 5-93517-052-3.
- Штильман В. И. Микроэлектронные стабилизаторы напряжения. — Киев: Техніка, 1976.
- Лепаев Д. А. Электрические приборы бытового назначения. — М.: Легпромбытиздат, 1991. — 272 с. — 20 000 экз.
«Космический» блок битания или как я создавал регулируемый стабилизатор напряжения/тока
Автор: Садовой А.В.
Так назвал этот блок питания Александр Борисов, когда я ему показал что в итоге получилось))) значит тому и быть, пусть мой БП теперь носит гордое название — Космический)
Как уже стало понятным, речь пойдет о блоке питания с регулируемым выходным напряжением, данная статья совсем не новая, с момента создания этого БП прошло уже 2 года, а тему все ни как не мог воплотить на сайте. На то время этот БП был для меня самым приемлемым по соображению доступности деталей и повторяемости. Схема блока питания была взята из журнала РАДИО 2006, выпуск №6.
Источник удобен для питания налаживаемых электронных устройств и зарядки аккумуляторных батарей. Стабилизатор построен по компенсационной схеме, которой характерен малый уровень пульсаций выходного напряжения и, несмотря на невысокий по сравнению с импульсными стабилизаторами КПД, вполне соответствует требованиям, предъявляемым к лабораторному источнику питания.
Принципиальная электрическая схема источника питания показана на рис. 1. Источник состоит из сетевого трансформатора Т1 диодного выпрямителя VD3—VD6, сглаживающего фильтра СЗ—С6, стабилизатора напряжения DA1 с внешним мощным регулирующим транзистором VT1, стабилизатора тока, собранного на ОУ DA2 и вспомогательном двуполярном источнике его питания, измерителя выходного напряжения/тока нагрузки РА1 с переключателем SA2 «Напряже-ние’’/»Ток».
В режиме стабилизации напряжения на выходе ОУ DA2 высокий уровень, светодиод HL1 и диод VD9 закрыты. Стабилизатор DA1 и транзистор VT1 работают в стандартном режиме. При сравнительно небольшом токе нагрузки транзистор VT1 закрыт, и весь ток протекает через стабилизатор DA1. При увеличении тока нагрузки увеличивается падение напряжения на резисторе R3, транзистор VT1 открывается и входит в линейный режим, включаясь в работу и разгружая стабилизатор DA1. Выходное напряжение задает резистивный делитель R6R10. Вращением ручки переменного резистора R10 устанавливают требуемое выходное напряжение источника.
Сигнал обратной связи по току снимается с резистора R9 и поступает через резистор R8 на инвертирующий вход ОУ DA2. При увеличении тока сверх значения, устанавливаемого переменным резистором R8, напряжение на выходе ОУ уменьшается, открывается диод VD9, включается светодиод HL1 и стабилизатор переходит в режим стабилизации тока нагрузки индицируемый светодиодом HL1.
В моем исполнении, почему то эта защита по току срабатывает только при КЗ.
Идея такого совместного включения трехвыводного регулируемого стабилизатора и операционного усилителя заимствована из технического описания стабилизатора LM317T.
Вспомогательный маломощный двуполярный источник питания ОУ DA2 собран на двух однополупериодных выпрямителях на VD1, VD2 с параметрическими стабилизаторами VD7R1, VD8R2. Их общая точка соединена с выходом регулируемого стабилизатора DA1. Такая схема выбрана из соображений минимизации числа витков вспомогательной обмотки III, которую нужно дополнительно намотать на сетевой трансформатор Т1.
Большинство деталей блока размещено на печатной плате из фольгированного с одной стороны стеклотекстолита толщиной 1 мм. Резистор R9 составлен из двух сопротивлением по 1,5 Ом мощностью 1 Вт. Транзистор VT1 закреплен на штыревом теплоотводе с внешними размерами 130x80x20 мм, представляющем собой заднюю стенку кожуха источника. Трансформатор Т1 должен иметь габаритную мощность 40…50 Вт. Напряжение (под нагрузкой) обмотки II должно быть около 25 В, а обмотки III — 12 В.
При указанных на схеме номиналах элементов блок обеспечивает выходное напряжение 1,25…25 В, ток нагрузки — 15…1200 мА. Верхний предел напряжения при необходимости можно расширить до 30 В подборкой резисторов делителя R6R10. Верхний предел тока также можно поднять, уменьшив сопротивление шунта R9, но при этом придется установить диоды выпрямителя на теплоотвод, применить более мощный транзистор VT1 (например, КТ825А—КТ825Г) а возможно, и более мощный трансформатор.
Сначала монтируют и проверяют выпрямитель с фильтром и двуполярный источник питания для ОУ DA2, затем все остальное, кроме DA2. Убедившись в работоспособности регулируемого стабилизатора напряжения, впаивают ОУ DA2 и проверяют под нагрузкой регулируемый стабилизатор тока. Шунт R11 изготавливают самостоятельно (его сопротивление — сотые или тысячные доли ома), а добавочный резистор R12 подбирают под конкретный имеющийся микроамперметр. В моем источнике применен микроамперметр М42305 с током полного отклонения стрелки 50 мкА.
Конденсатор С13 в соответствии с рекомендациями производителя стабилизатора К142ЕН12А желательно использовать танталовый, например, К52-2 (ЭТО-1). Транзистор КТ837Е может быть заменен на КТ818А— КТ818Г или КТ825А—КТ825Г. Вместо КР140УД1408А подойдут КР140УД6Б, К140УД14А, LF411, LM301A или другой ОУ с малым входным током и подходящим напряжением питания (может потребоваться коррекция рисунка проводников печатной платы). Стабилизатор К142ЕН12А можно заменить импортным LM317T.
Если необходимо, чтобы выходное напряжение можно было регулировать от нуля, нужно в источник добавить гальванически развязанный дополнительный стабилизатор напряжения на 1,25 В (его можно собрать так же на К142ЕН12А) и подключить его плюсом на общий провод, а минусом — к соединенным вместе правым выводом и движком переменного резистора R10, предварительно отключенным от общего провода.
Ну а теперь то, как реализовал этот БП я.
Начались поиски радиокомпонентов:
Верхний предел по току расширил до 2,5 А применив шунт из стрелочного прибора типа «Ц»
Для отображения выходных параметров использовал АЦП ICL 7107, один АЦП для отображения тока, другой АЦП для напряжения.
Готовый цифровой блок на АЦП мне достался с прошлой работы, эти блоки уже списали из-за неработоспособности, к счастью что негодным был только внутрений измерительный транс, остальное все целое.
Рис. 2. Схема вольтметра
Схему собрал с нуля, та что была в готовом блоке не подходила, поэтому пришлось лопатить инфу, искать даташиты в итоге схема получилась такая, в принципе ни чем не отличающаяся от той, что по даташиту.
В процессе настроек, выяснилось, что АЦП можно питать и однополярным напряжением. Яркость сегментов индикаторов может быть различна, добавляя или удаляя 1N4148 диоды.
Настройка АЦП — Подстроечным резистором R5 10 кОм установить напряжение между выв. 35 и 36 равным 1 В. Приведенная схема — схема вольтметра, ниже привожу схему входного делителя для построения амперметра
(рис. 3.)
Рис. 3. Делитель
При сборке амперметра необходимо исключить резистор R3 рис. 2 и на его место подключить делитель (на рисунке подписано «к 31 ноге»)
Для того, чтобы было возможным измерять токи от 20 мА до 2,5 А в делитель введена цепочка на резисторах R5-R8 (на схеме приведены часто применяемые диаппазоны), но я для себя как уже говорил выше ограничил до 2,5 А. Конденсатор в делителе — 100…470nF. Можно конечно в качестве отображения выходных параметров использовать мультиметры типа DT-838 встроив их в корпус блока питания.
Для питания всех АЦП не нашлось лишней обмотки на трансе, поэтому пришлось использовать еще один небольшой транс.
Трансформатор питающий АЦП, питает кулер для охлаждения силового транзистора и кренки, запасливый уж я по этому поводу) Можно было бы обойтись и без кулера.
Не стал рисовать питание АЦП, там все просто, диодный мост КЦ407, кренка на 5 вольт и два электролита
Корпус применил от высокочастотного миливольтметра
Вот и получился Космический блок питания, извините за мою назойливость, но уж очень люблю применять светодиоды в качестве подсветки)))
Ну вот и все. Трудится БП и по сей день, а на дворе уже 2013 год.
Если что то не понятно написал или не правильно изложил мысль — пишите…